CN
EN
公司简介
历史
地理位置
职业发展
公司动态
质量认证
esmo 自动化
工厂工程
控制与驱动工程
机器人
工业图像处理系统
定制自动化设备
自动化技术
esmo 半导体
IC分选机
塔洛斯芯片测试分选机
lykos BIB 上料/下料分选机
测试机机械手
通用机械手
青龙 机械手臂
应龙机械臂
emX 200 通用测试头机械臂
cyclops机械手臂
esMP4 manipulators
大鹏 经济全能的机械手
白泽 机械手
飞燕 轻型机械手
鲲鹏铰链型机械手
麒麟 通用机械手臂
朱雀 机械手臂
天马 革新 机械手臂
最终测试机械手
ares专业对接分选机
ares plus机械手
eos 最终测试机械手
凤凰车
推车,手推车和工作站
aurora 推车
BIB 推车
工程推车
lift 推车
手推车和测试台设备
工作站
lupo 小车
单体测试设备
atlas
FAM manipulator
low-profile 机械手
MMCI 256
兼容的测试头
半导体测试接口设备
docking对接系统
cam-docking
dib-changing 系统
Direct docking
handler-attached dib-loading system
helix docking
helios docking
hinge-dock
p-cam-dock
pib-lock
udp docking plate
对接配件
对接板
Pre-Guide/Pre-Fix
泰瑞达k-dock对接模块
加强筋 Stiffener
测试板加强筋
探针卡加强筋
各种加强筋(补强板/stiffener)
探针塔
clamp shell探针塔
combo 350 探针塔
catalyst 探针塔
FLEX 探针塔 模块化
io 探针塔
J750 探针塔
jupiter 探针塔
midas 探针塔
triton 探针塔
V93k 9.5尺寸 探针塔
宜世摩探针塔清洁说明
探针台手动测试适配器
手动测试适配器
V93000 12寸手动测试适配器
半导体测量和测试系统
接触电阻测量工具
节点位置工具
探针塔位置测试工具
组合检查工具
特殊设备
冷测试盖
复合技术
冷测试盖EVOLUTION
测试头机箱+插口
台式测试机
机械测试头机箱外壳
迷你机箱
19"插件的测试头机箱
用于光学检测的测试头机箱
IC测试插座
esmo 夹具
技术资源
售后服务与客户支持
联系方式
快速配置您的测试头/探针台/分选机
请点击这里
宜世摩机电科技
»
esmo 半导体
»
测试机机械手
»
推车,手推车和工作站
»
lift 推车
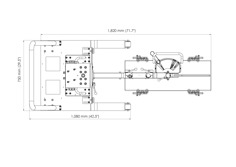
lift 推车
快速、轻松的提升
❮
❯
关键特性
适用于多种测试头的多功能运输装配推车
便于在探针台下方进入的矮支架
带SPEED和 EMO 按钮的向上/向下控制
适用于各种测试头类型的通用夹持器
发电车
返回
沪ICP备18001998号
沪公网安备 31011702006224号
GTC
法律声明
隐私政策